Transformer Mounting Bracket
Our Transformer Mounting Bracket is a heavy-duty, hot-dip galvanized steel assembly engineered specifically for cluster mounting one to three distribution transformers on utility poles. Designed to accommodate poles ranging from 6.5 inches to 11 inches in diameter, it provides a standardized, rigid, and safe foundation that simplifies installation while ensuring long-term reliability and compliance with utility standards.
-
Engineered for Cluster Mounting & Versatility
-
Built for Maximum Durability & Safety
-
Designed for Installation Efficiency
What Is a Transformer Mounting Bracket?
A Transformer Mounting Bracket is a pre-fabricated structural steel framework specifically designed to securely attach one or more distribution transformers to a utility pole.
It is not a single part, but a complete assembly kit comprising galvanized channels, plates, and high-strength threaded rods. This system creates a rigid “platform” or “cradle” that physically supports the transformer’s weight and anchors it against wind, ice, and vibration.
Unlike generic brackets or custom field welds, this product is engineered for “cluster mounting.” This means a single, integrated bracket system can be configured to support two or three transformers side-by-side on the same pole, a critical solution for modern, space-constrained power distribution where multiple transformers are needed in close proximity.

Specifications
Product Name: Transformer Mounting Bracket (Pole Cluster Mount)
Primary Material: High-Strength Carbon Steel
Corrosion Protection: Hot-Dip Galvanized per ASTM A153
Fasteners: Includes 3/4″ Threaded Rods and associated high-strength nuts/washers.
Pole Diameter Range: 6.5 inches to 11 inches (165 mm to 280 mm)
Transformer Capacity: Configurable for 1, 2, or 3 transformers.
Finish: Characteristic silver-gray HDG finish.
Design Standard: Engineered to meet typical utility pole mounting requirements.
Key Features
Engineered for Cluster Mounting & Versatility
Multi-Transformer Capacity: Uniquely designed to support single, double, or triple transformer clusters on a single pole, optimizing space and infrastructure.
Wide Pole Compatibility: Adjustable design fits a broad range of standard pole diameters (6.5″ to 11″), reducing inventory complexity.
Rigid Structural Support: Fabricated from high-strength carbon steel to prevent sway, sag, or torsion under the combined weight and wind loads of multiple transformers.
Built for Maximum Durability & Safety
Superior Corrosion Protection: All components are hot-dip galvanized in strict compliance with ASTM A153, providing a uniform, thick zinc coating for decades of service in harsh outdoor environments.
Secure Fastening System: Includes high-strength 3/4″ threaded rods and all necessary hardware to ensure a vibration-resistant, tamper-proof connection to the pole and transformer.
Stable & Safe Operation: The rational structural design guarantees high stability, firmly supporting transformers and withstanding external forces to ensure safe, reliable operation.
Designed for Installation Efficiency
Pre-Fabricated & Complete Kit: Supplied as a complete kit with all galvanized components, enabling quick and straightforward field assembly without the need for custom fabrication.
Code-Compliant Design: Manufactured to meet common utility specifications for clearances and mechanical strength, facilitating approval and inspection.
Applications
- Cluster Mounting of Distribution Transformers on wooden or concrete utility poles.
- Upgrading Existing Pole Top Installations to a safer, more organized clustered configuration.
- New Residential or Commercial Power Distribution projects requiring multiple transformers on a single pole.
- Areas with Limited Space where clustering transformers is the most practical solution.
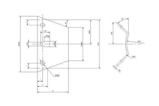
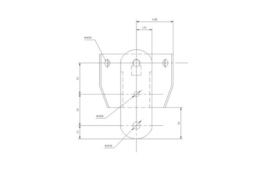
Drwaing



Package

Contact Now
Ready to Specify or Request a Quote?
Contact our engineers today with your project details or insulator type for a prompt recommendation and competitive pricing.






