Flat Crossarm Brace
This flat crossarm brace is a critical structural component designed for power transmission, distribution, and telecommunication pole line systems. Engineered to rigidly connect the utility pole to the crossarm, it provides essential reinforcement to enhance overall structural stability and resistance against bending or swaying caused by heavy loads, strong winds, and other harsh environmental conditions, ensuring long-term reliability and safety for outdoor infrastructure.
-
Guaranteed Tensile Strength: ≥430 / 510 N/mm²
-
Full HDG Protection per ISO 1461 & ASTM A153
-
Enhances structural stability of poles and crossarms
-
Standardized for Easy Installation
-
Long service life with minimal maintenance
What Is a Flat Crossarm Brace?
A flat crossarm brace is a structural steel component used in overhead power line construction to reinforce the connection between a utility pole and its crossarm.
It is typically a robust flat steel bar installed diagonally between the pole and the crossarm, forming a rigid triangular configuration.
This triangular structure provides a direct force-transfer pathway, redirecting and distributing lateral loads, torsional stresses, and downward forces caused by high winds, ice loads, or unbalanced conductors into the main body of the pole.
By doing so, it prevents bending, deformation, and fatigue failure at the critical pole–crossarm junction.
In essence, the flat crossarm brace transforms the connection from a flexible, pivot-like joint into a single, rigid, and structurally unified system.

Specifications
1. Design & Performance
Single-piece, weld-free construction for maximum structural integrity.
Rounded ends with pre-punched holes for smooth installation and stress distribution.
Engineered to withstand bending, torsional, and wind-induced dynamic loads.
2. Material: High-strength carbon steel flat bar, hot-dip galvanized.
3. Process:
Precision blanking and punching from selected steel flat bars.
All edges are deburred for safety and coating uniformity.
Hot-dip galvanized in automated baths to ensure complete coverage.
4. Corrosion Protection:
Hot-dip galvanized (HDG) in accordance with ISO 1461 / ASTM A153.
Average zinc coating thickness ≥85 µm, ensuring long-term protection in C4/C5 atmospheric environments.
Excellent adhesion and uniformity, resistant to handling and mechanical damage.
5. Finish:
Smooth, metallic gray galvanized surface.
Free from bare spots, drips, or excessive buildup.
Suitable for outdoor exposure without additional painting.

Quality Assurance
Raw materials are verified via spectral analysis and mechanical testing prior to production.
Finished products undergo rigorous final inspection covering dimensional accuracy, galvanizing coating thickness (conforming to ISO 1461 / ASTM A153), and visual quality.
Third-party test reports from accredited laboratories are available upon request.
Custom manufacturing is supported based on client-provided technical drawings and specifications.
Applications
Reinforcement of crossarms on transmission and distribution lines up to 35kV.
Auxiliary bracing for telecommunication towers, broadcast masts, and antenna poles.
Structural stabilization for municipal street light poles, traffic signal poles, and sign supports.
Stability components for renewable energy infrastructure, such as solar PV mounting structures and wind power installations.
Why Choose Shuowei Flat Crossarm Braces?
Consistent compliance with ISO & ASTM standards
Proven performance in utility and infrastructure projects
Stable quality control from material selection to galvanizing
Flexible customization based on drawings or utility specifications
Installation
Designed for diagonal installation to form a rigid triangular brace between pole and crossarm.
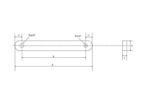
Drawing

Package


Contact Now
Ready to Specify or Request a Quote?
Contact our engineers today with your project details or insulator type for a prompt recommendation and competitive pricing.






